一、概述
技術供水方式的選擇多種多樣,有自流減壓供水方式、水泵供水方式、水輪機頂蓋取水供水方式、小水輪機減壓后供水方式等。因為自流減壓供水方式運行穩定、維護簡單且可節約工程投資,技術可靠優越且有較高的經濟性,被很多水電站采用。
但對很多高水頭電站而言,采用自流減壓供水方式會突破我國現行規范的要求,對是否采用自流減壓供水方式宜做進一步的分析研究,并且技術供水對象對水壓有嚴格的要求,因為自流減壓方式需要通過減壓閥將來自上游高壓水的多余水壓加以削減,所以必須對減壓閥有關性能進行可行性研究和分析。
影響減壓閥性能的主要因素之一,即流體對閥體過流位置的氣蝕和沖蝕,即流體在減壓閥內的流態,反應現象為減壓閥在工作過程中的震動和噪音。
二、實驗對象和目的
ZJY46H型活塞式減壓閥是我國水電站自流減壓方式采用得較多,也是較穩定的一種減壓閥,其具有高減壓比、大流量、穩定性好、使用壽命長、一級減壓的特點。但即使如此,在高減壓比的工況下運行時,由于能量消耗的形式體現,運行噪聲和氣蝕的現象也是不可避免的。在分析這一現象時,我們認為:合理的過流面積的幾何形狀可有效地減小流阻,同時有效地減少噪聲和氣蝕程度。
為此,我們首先設計了兩個改進型DN150節流錐S1#和S2#,和缸套閥座組合件,先在試驗臺上進行試驗,S2#節流錐和缸套閥座組合件,取得了明顯的預計效果;然后我們又在某水電站進行了水電站試驗,證明了這次改進的確有著良好的效果。
在水電站試驗取得良好效果之后,我們根據節流錐型線優化試驗數據制造出DN450大口徑減壓閥,在CDF實驗臺上采集參數進行了CFD分析,以印證改造思路和效果。
三 試驗臺實驗
3.1.試驗臺簡介
3.1.1、多功能試驗臺

如圖1 所示:B為多級泵;A為被測減壓閥;C為安全泄壓閥。試驗系統開啟后,將P1高值調整為1.9MPa,然后在分別設定P2為各不同值,在各值中改變P1值,觀測在不同工況下的運行穩定性和噪聲。
3.2、試驗方式
用兩個改進型DN150節流錐S1#S2#和一個原型節流錐S0#和相對應的缸套閥座組合件,先后裝入減壓閥閥體內在試驗臺上進行試驗,通過給定出口壓力、調節進口壓力,測試主閥不同開度條件下的噪聲分貝值,即可比較不同節流錐的性能差異。
3.3.試驗臺試驗數據及初步判斷
試驗臺試驗結果見表一:

注:P1為進口壓力(MPa);P2為出口壓力(MPa);K為主閥開程(mm);Z為噪聲聲壓級(dB)。
由表一可知,改進型節流錐S1#的降噪性能比原型節流錐S0#稍好,而改進型節流錐S2#降噪性能好。
四 水電站試驗
4.1.水電站及減壓閥使用情況簡介
某水電站裝機容量為2×6300kW,為引水式電站,機組技術供水采用自流減壓供水和水泵供水方式,單機組技術供水流量為450m3/h;水頭為260m~240m。因水泵運行故障率高,所以自流減壓供水為主供水。
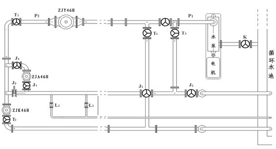
4.2、機組自流減壓供水系統簡介

如圖2所示:在壓力鋼管進機組處的位置附近取水。K1、K2分別這取水閥和工作閥,Y為ZJY46H-40C DN150減壓閥。P2的壓力整定為0.6MPa,減壓后的水直供水池,再由水池供兩臺機組用水。調節閥門K3為合適的過流面積。改進前的單臺ZJY46H-40C DN150減壓閥的流量在滿足兩臺機組運行時,運行噪音為118dB。
4.3、自流減壓供水系統工作狀況
該水電站以前曾用國外某公司生產的膜片差壓式DN450減壓閥兩臺作兩級減壓,使用不到半年即損壞,無法再用。后改用我公司生產的ZJY46H型活塞式減壓閥一臺作一級減壓,使用一年后,雖然噪聲偏高,節流錐有沖蝕和氣蝕,但仍能使用。
由于電站生態環境較差,植被破壞嚴重。水中的雜質主要為石英砂。由于高速水流產生的氣蝕,再加上石英砂的磨蝕,減壓閥的運行環境很差。這就需要對減壓閥進行合理的改進,保證在惡劣環境下運行的減壓閥有良好的適應性,以保證電站的正常運行。
4.4.水電站試驗簡介
原計劃試驗S2#節流錐和S0#節流錐及對應的缸套閥座組合件,以作比較。但因兩次試驗間隔的準備時間(減壓閥前截止閥不能關死,需壓力鋼管泄水和灌水)過長,為不影響按時發電,只試驗S2#節流錐而未能進行S0#原型節流錐的試驗。
另外,只有減壓閥后有壓力表,而減壓閥前沒有,也沒有流量計。這對試驗造成一定的不便。
在S2#節流錐試驗過程中及后正式發電投入運行時,用戶評價:噪聲明顯減小,振動微弱。
4.5.水電站試驗數據及初步判斷
水電站試驗結果見表二和表三:

注:1)符號同表一。2)減壓閥主閥全開程為28mm。3)調節桿預壓高度為89mm。
由表二可知,出口閥開度從全開到1/2開時,減壓閥的出口壓力變化很小,不影響機組運行。此時通過減壓閥的水流噪聲有較大降低。

注:1)符號同表一。2)減壓閥主閥全開程為28mm。3)帶*號的調節桿預壓高度為63mm,是當前的發電投運狀態。其余的調節桿預壓高度為89mm。
對比表二和表三,可以發現:
1)當出口壓力調高后,水流噪聲降低約6~7 dB。
2)在表二中,出口閥開度變化后,水流噪聲從110.0 dB降到91.0 dB,降幅為19 dB;在表三中,水流噪聲則從111.0 dB降到88.5 dB,降幅為22.5 dB。
3)試驗完成后,應電站要求,將ZJY46H-40C DN150減壓閥的P2值整定為0.7MPa,調節出口閥K3滿足兩臺機組運行的流量要求。即時工況的噪聲為89.5dB。
一般來說,減壓閥的水流噪聲與水通過節流錐產生的渦流直接相關,而渦流與節流錐的幾何形狀、附近的流道及流速有關,而流速又與節流錐的開度和前后壓力差有關。
選擇合理的節流錐形狀,可以減小流阻系數及相應的渦流影響;增加主閥調節桿的預壓量,可以增加水的流量而降低通過節流錐過流面的流速(實際上是流阻損失減少)。通過這種方式,我們可以有效降低減壓閥的水流噪聲。
4.6. 結論
1)S2#節流錐對降低減壓閥的水流噪聲是有效的。
2)S2#節流錐的穩壓性能是可靠的。
3)輔以增加主閥調節桿的預壓量對降低減壓閥的水流噪聲也是可行的。
五、CDF試驗
5.1.CDF試驗臺簡介

如圖所示:4位置活塞式減壓閥, 分別為ZJY46H-25C DN450活塞式減壓閥;壓力表(P1、P2)精度為0.4級,并具有穩流管和旋塞調節閥;測流流量計為電磁式或超聲波式均可,安裝于被測閥4后的規定位置。
5.2。、試驗方法
5.2.1. 本次試驗的P1值為5個測試點:1.50MPa、1.70MPa、1.80MPa、1.90MPa、2.00MPa。P2值分別為0.40MPa和0.60MPa。每個P2值的P1變化值滿足前敘5個測試點的技術要求。試驗方法如下:
調節減壓閥工作反饋系統的控制閥,使P2=0.40MPa。
5.2.2、 調節F1的開度,使P1值分別升序,即:1.50MPa、1.70MPa、1.80MPa、1.90MPa、2.00MPa。并在每個點記錄P1值、P2值、Q值。
5.2.3、當P1值升至2.00MPa時,調節減壓閥工作反饋系統的控制閥,使P2=0.60MPa。
5.2.4、調節F1的開度,使P1值分別降序,即:2.00MPa、1.90MPa、1.80MPa、1.70MPa、1.50MPa。并在每個點記錄P1值、P2值、Q值。
5.3、模擬試驗數據
測試型號:ZJY46H活塞式減壓閥DN450-25C
出口壓力整定值(MPa):0.4-0.6
測試參數:P1-進口壓力(MPa)、P2-出口壓力(Mpa)、Q-流量(m3/h)、H-主閥拉桿運行開度(mm)
基準參數:H0-主閥拉桿全關值227(mm)

六、ZJY46H活塞式減壓閥CFD分析及節流錐型線優化
計算技術和計算流體力學的飛速發展使得設計者可以借助CFD軟件模擬各種復雜流動現象,對流場特性有直觀的了解,進而可針對所出現的問題改進設計,大大節約時間和成本。
利用三維CFD技術,擬對ZJY46H活塞式減壓閥的減壓過程,流場特性如壓力場、速度場等以及空化和噪聲性能進行定性描述,以驗證所采用的ZJY46H活塞式減壓閥在瑪爾擋電站自流供水系統中的可行性。
ZJY46H活塞式減壓閥是依靠調整閥芯開度來改變閥芯與閥座之間的環形通道(也就是過流面積)來達到減壓目的的,水流沖擊ZJY46H活塞式減壓閥閥芯會消耗部分能量,從狹小的過流面積通過的水流流速會急劇上升,從而導致較大的壓力降。顯然,節流錐型線對ZJY46H活塞式減壓閥性能有直接影響。
6.1. ZJY46H活塞式減壓閥結構圖

6.2 ZJY46H活塞式減壓閥三維建模及網格劃分

6.3 ZJY46H活塞式減壓閥數值計算條件


6.4 ZJY46H活塞式減壓閥數值計算結果
針對水電站技術供水的實際運行情況,如果運行工況穩定,一定的進口壓力或流量會對應于ZJY46H活塞式減壓閥的某個開度H,首先應該在模擬試驗臺上尋找出對應于水電站技術供水的ZJY46H活塞式減壓閥閥芯開度。
分別試算H= 45mm、35mm、30mm、29mm、28mm、27mm六種閥芯開度并比較計算結果,得出在H=28mm時,ZJY46H活塞式減壓閥出口壓力約為0.6MPa,因此適于給定的水電站技術供水系統的ZJY46H活塞式減壓閥的開度應為28mm。

ZJY46H活塞式減壓閥出口壓力隨開度變化曲線


6.5 減壓閥空化性能分析
水流在經過閥芯與閥座之間狹小的過流面時,流速急劇增大,壓力會迅速降低,形成低壓區,這些低壓區域很容易發生空化現象,若空化現象持續累積將會造成減壓閥減壓性能的下降,增加運行成本。
空化發生的根本原因是在液體溫度一定的條件下,液體的絕對壓力降低到當地汽化壓力以下,此時液體會汽化或者溶解于液體中的空氣發育形成空穴,當空穴隨水流運動至高壓區時,氣泡會潰滅,若潰滅發生在固體避免附近,將會引起過流表面的材料損壞。
采用FLUENT進行減壓閥的空化數值模擬,空化模型采用基于混合相的“Schnerr-Sauer”空化模型,汽化壓力取為3540Pa,空泡數密度為1e+13,進口給定速度入口邊界條件,且進口處水蒸氣體積分數為零,出口給定壓力,同樣水蒸氣體積分數為零,采用無滑移壁面條件。計算時先采用定常計算,然后在定常計算的基礎上采用非定常計算,時間歩長取為5e-6s,計算步數取為2000,每一時間步迭代次數為20。

6.6 減壓閥噪聲仿真分析
減壓閥內的流場是極不穩定的,不穩定的流場會產生一定強度的流噪聲。并且伴隨著空化現象的發生,空泡的不斷潰滅,勢必會引起減壓閥的噪聲和振動,因此有必要對減壓閥內的噪聲進行仿真分析。
借助FLUENT,在空化非定常計算的基礎上,利用噪聲模塊,采用“Ffowcs-Williams & Hawkings”噪聲模型,遠場密度為水密度998.2kg/m3,遠場聲速為1483m/s ,參考升壓為1e-5Pa,定義減壓閥閥芯為噪聲源,FW—H模型可以將流場分布轉化為閥芯表面的聲源,從而進行噪聲分析。
由奈奎斯特采樣定律:在進行模擬或數字信號的轉換過程中,當采樣頻率大于信號中的高頻率的兩倍時,那么采樣之后的數字信號完整的保留了原始信號中的信息。一般實際應用中應該保證采樣頻率為信號高頻率的5-10倍,本次噪聲數值模擬中取時間歩長△t=5e-6s,則根據采樣高頻率與時間歩長的關系:
經計算,f=100KHZ,

低頻時聲壓級幅值較大,且變化梯度大,隨著頻率的升高,幅值持續下降,后在基本保持在一個定值,由此可知,噪聲的低頻能量較大,高頻部分能量較小。并且遠離閥芯的位置噪聲越小,且上游噪聲較下游小一些。
6.7 減壓閥節流錐型線優化
基于對減壓閥流動特性的分析,擬對減壓閥進行節流錐型線進行優化,旨在降低空化發生率,同時期望閥芯附近的大噪聲有一定的下降。
減壓閥閥芯斷面靠近上表面處易發生空化,根本原因是此處流體過流通道的急劇改變形成了較大的速度梯度,因次可以考慮將端面與上表面之間的過渡面改為曲率更大的曲面形結構,使流道更加光滑。

改型后減壓閥出口壓力隨閥芯開度變化

改型前后閥芯與閥座上流區域壓力云圖和下流區域速度云圖

改型前后減壓閥閥芯氣泡體積分數分布圖
改型之后的減壓閥空化性能得到明顯地改善,氣泡的大體積分數由0.537減小到0.214,減幅達60%以上。

改型前后減壓閥聲壓級對比圖
優化前后的減壓閥有相同趨勢的聲壓級圖,優化節流錐型線后的減壓閥聲壓級平均下降了20dB以上,并且優化后的減壓閥聲壓級脈動性較未優化明顯,達到一定的減噪要求。
6.8 結論
通過對ZJY46H-25-P-④-Q2型減壓閥進行三維建模,劃分網格,給定計算條件,對減壓閥進行了CFD三維流場特性、空化特性和噪聲仿真的研究。由CFD計算結果來看,減壓閥在閥座與閥芯之間的過流區域流場不穩定,其壓力、速度等梯度變化較大,易發生空化現象并且伴隨著一定的噪聲,嚴重時可能影響機組技術供水的正常供應。根據初步關于減壓閥的數值模擬結果,對節流錐進行型線優化,重新計算并與初始結果做一對比,結果表明:優化節流錐型線后的減壓閥在未改變減壓效果的前提下,其空化性能有所改善并且噪聲有一定的下降,達到了預期的優化效果。
